

*G-213科索比弓形卸扣(高強度卸扣),屬于美國Crosby科索比吊索具品牌產品。
*美標G-213弓形卸扣滿足或超過ASME B30.26 的所有要求,以及EN13889:2003 的性能要求。
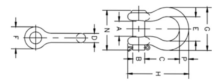
*Crosby弓形卸扣G-213,長時間顯示工作負荷限制,額定疲勞(1/3 噸 —55 噸)。
【Crosby標準及認證】Crosby 2 噸至25 噸G-2130 錨卸扣經過類型批準,滿足DNV Certication Notes 2.7-1(海上集裝箱)的要求。這些Crosby 卸扣經過了統計驗證和沖擊測試。上述測試由Crosby 執行并且可根據請求提供3.1 測試認證。