
? 鷹牌EAGLE ED-25C無塵室液壓千斤頂為日本今野制作所制造,屬重工業級別產品,防靜電類型,現由煙臺開發區龍海起重工具有限公司授權代理,可提供代理證明(鷹牌EAGEL千斤頂中國區域授權代理)

鷹牌EAGLE ED-25C無塵室液壓千斤頂介紹:
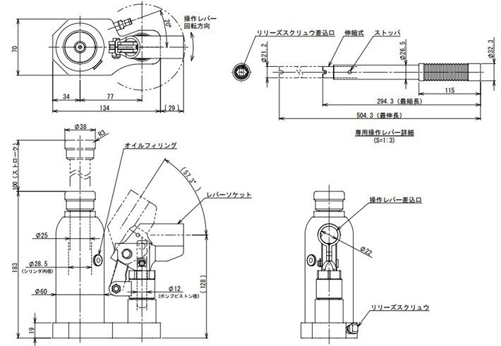
* 鷹牌EAGLE ED-25C無塵室液壓千斤頂采用特殊表面處理工藝,防靜電類型
* 鷹牌EAGLE ED-25C無塵室液壓千斤頂具有快速起升設計,每次壓動手柄時千斤頂液壓油的流量加大,起升速度快,勞動強度低
* 鷹牌EAGLE ED-25C無塵室液壓千斤頂表面不涂裝任何油漆,解決了三大難題“漏油、掉漆、生銹”;用于無塵環境要求嚴格場合。
* 鷹牌EAGLE ED-25C無塵室液壓千斤頂主軸光滑不漏油,油缸活塞部分采用耐磨損、防銹的高強度鉻,堅固耐用。
鷹牌EAGLE ED-25C無塵室液壓千斤頂操作安全:
具有防過載安全閥和高度限位兩大安全裝置
防過載安全閥:防止超載,提高作業安全性
高度限位裝置:當千斤頂起升時超出安全范圍了,千斤頂不再起升

![]()
ED-25C無塵室液壓千斤頂為日本鷹牌EAGLE JACK原裝進口產品,保質1年,我公司承諾凡是客戶在我公司訂購的進口類產品均為原裝正品,絕不存在拆件貨,換件貨,假冒品牌產品,凡客戶從我公司訂購日本鷹牌EAGLE JACK產品如收到貨物時發現有拆件貨,換件貨,假冒、假貨仿貨均以100倍金額賠償。
產品選型:液壓千斤頂?
相關產品:ED-40C無塵室液壓千斤頂(載荷4噸,可橫向使用)
產品資料:液壓千斤頂的工作原理、液壓千斤頂基本操作、液壓千斤頂什么牌子好?、工廠機械設備提升定位液壓千斤頂、橫向使用EAGLE液壓千斤頂、食品廠廠房用鷹牌無塵室千斤頂